Honda Generator Parts Diagram

Images for Honda Generator Parts Diagram

all Honda Power Equipment Generators Parts-Finder Diagrams | Just For Fun  Honda, Middlefield OH, image size:1920x958
all Honda Power Equipment Generators Parts-Finder Diagrams | Just For Fun Honda, Middlefield OH
image size: 1920x958
Parts for Generators EU EU2000 EU2000I AN1 EAAJ-1170001-9999999 FRONT  COVER@SIDE COVER @REAR COVER | John H Sorola Inc, image size:1920x960
Parts for Generators EU EU2000 EU2000I AN1 EAAJ-1170001-9999999 FRONT COVER@SIDE COVER @REAR COVER | John H Sorola Inc
image size: 1920x960
EU3000IS EU3000IS1 Generator Parts Catalog | Honda Power Products Support  Publications, image size:2550x3300
EU3000IS EU3000IS1 Generator Parts Catalog | Honda Power Products Support Publications
image size: 2550x3300
Parts for Generators EM EM6500 EM6500SXK2 AT1/A EBJC-1500001-9999999  CARBURETOR (2) | Plano Power Equipment, image size:1920x960
Parts for Generators EM EM6500 EM6500SXK2 AT1/A EBJC-1500001-9999999 CARBURETOR (2) | Plano Power Equipment
image size: 1920x960
Parts for Generators EB EB3000 EB3000C AG/A EZGP-1000001-1001374 FUEL  TANK@FUEL STRAINER | Mike's Lawnmower Sales \u0026 Service, image size:1920x960
Parts for Generators EB EB3000 EB3000C AG/A EZGP-1000001-1001374 FUEL TANK@FUEL STRAINER | Mike's Lawnmower Sales \u0026 Service
image size: 1920x960
Parts for Generators EU EU7000 EU7000ISN AN EEJD-1300001-9999999  HANDLE@WHEEL | Storm Lawn and Garden, LLC, image size:1920x960
Parts for Generators EU EU7000 EU7000ISN AN EEJD-1300001-9999999 HANDLE@WHEEL | Storm Lawn and Garden, LLC
image size: 1920x960
Parts for Generators EU EU3000 EU3000IS AN EZGF-1080001-1499999 MAIN COVER  | Vatland Honda, image size:1920x960
Parts for Generators EU EU3000 EU3000IS AN EZGF-1080001-1499999 MAIN COVER | Vatland Honda
image size: 1920x960
Honda E1500 A GENERATOR, JPN, VIN# E1500-123001 TO E1500-1171000 Parts  Diagram for ALTERNATOR, image size:1500x2187
Honda E1500 A GENERATOR, JPN, VIN# E1500-123001 TO E1500-1171000 Parts Diagram for ALTERNATOR
image size: 1500x2187
Honda EX5500 A GENERATOR, JPN, VIN# GX360-1000001 TO GX360-1017635 Parts  Diagram for CYLINDER, image size:1500x749
Honda EX5500 A GENERATOR, JPN, VIN# GX360-1000001 TO GX360-1017635 Parts Diagram for CYLINDER
image size: 1500x749
Parts for Generators EB EB2500 EB2500XK1 AG/B EZCP-1018063-1079999 REAR  HOUSING | Ball Power Equipment, image size:1920x959
Parts for Generators EB EB2500 EB2500XK1 AG/B EZCP-1018063-1079999 REAR HOUSING | Ball Power Equipment
image size: 1920x959
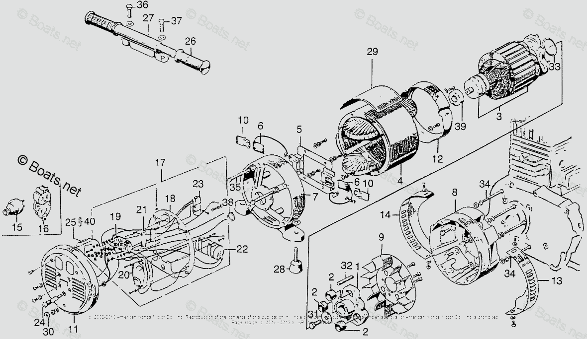
Parts for Generators EU EU2000 EU2000I AN EAAJ-1170001-9999999 ROTOR@STATOR  | Nevada Power Products, image size:1920x960
Parts for Generators EU EU2000 EU2000I AN EAAJ-1170001-9999999 ROTOR@STATOR | Nevada Power Products
image size: 1920x960
Parts for Generators EB EB4000 EB4000X AT1 EBSC-1000001-1499999 AIR CLEANER  (2) | Honda East, Inc., image size:1920x960
Parts for Generators EB EB4000 EB4000X AT1 EBSC-1000001-1499999 AIR CLEANER (2) | Honda East, Inc.
image size: 1920x960
EB2800I EG2800I Generator Parts Catalog | Honda Power Products Support  Publications, image size:2550x3300
EB2800I EG2800I Generator Parts Catalog | Honda Power Products Support Publications
image size: 2550x3300
Honda EM650 A GENERATOR, JPN, VIN# EA3-1000001 Parts Diagrams, image size:1500x748
Honda EM650 A GENERATOR, JPN, VIN# EA3-1000001 Parts Diagrams
image size: 1500x748
Parts for Generators EU EU2000 EU2000I AN EAAJ-1170001-9999999 LOWER COVER  | Maui Power Equipment, image size:1920x958
Parts for Generators EU EU2000 EU2000I AN EAAJ-1170001-9999999 LOWER COVER | Maui Power Equipment
image size: 1920x958
Honda EG1500 A (G41) - Honda Generator, Made in Japan (SN: G41-1018501 -  G41-1071999) EG1500 CONTROL BOX + GENERATOR Parts Lookup with Diagrams |  PartsTree, image size:1215x1280
Honda EG1500 A (G41) - Honda Generator, Made in Japan (SN: G41-1018501 - G41-1071999) EG1500 CONTROL BOX + GENERATOR Parts Lookup with Diagrams | PartsTree
image size: 1215x1280
Honda Power Equipment EM5000SX A GENERATOR, JPN, VIN# EA7-1000001 TO  EA7-1100000 CARBURETOR, image size:1500x796
Honda Power Equipment EM5000SX A GENERATOR, JPN, VIN# EA7-1000001 TO EA7-1100000 CARBURETOR
image size: 1500x796
Parts for Generators ES ES6500 ES6500K1 A/A EA1-1000001-1072228 WIRE  HARNESS | Ball Power Equipment, image size:1920x959
Parts for Generators ES ES6500 ES6500K1 A/A EA1-1000001-1072228 WIRE HARNESS | Ball Power Equipment
image size: 1920x959
Parts for Generators EB EB3500 EB3500X A EA6-3000001-3100000 FUEL TANK (EM,  EB) | Honda Generators of Tampa, image size:3268x1788
Parts for Generators EB EB3500 EB3500X A EA6-3000001-3100000 FUEL TANK (EM, EB) | Honda Generators of Tampa
image size: 3268x1788
Honda Power Equipment EU2000I AN1 GENERATOR, JPN, VIN# EAAJ-1170001 FAN  COVER@SHROUD, image size:1500x748
Honda Power Equipment EU2000I AN1 GENERATOR, JPN, VIN# EAAJ-1170001 FAN COVER@SHROUD
image size: 1500x748
Parts for Generators EM EM500 EM500K1 A EM500-1000001-9999999 CARBURETOR |  Mac Equipment, Inc., image size:2434x1824
Parts for Generators EM EM500 EM500K1 A EM500-1000001-9999999 CARBURETOR | Mac Equipment, Inc.
image size: 2434x1824
Honda EN2500 A (EZFS) - Honda Generator, Made in Japan (SN: EZFS-1000001 -  EZFS-1099999) GENERATOR Parts Lookup with Diagrams | PartsTree, image size:1280x640
Honda EN2500 A (EZFS) - Honda Generator, Made in Japan (SN: EZFS-1000001 - EZFS-1099999) GENERATOR Parts Lookup with Diagrams | PartsTree
image size: 1280x640
Honda EX1000 A GENERATOR, JPN, VIN# EA4-1000001 TO EA4-1236195 Parts Diagram  for CONTROL PANEL, image size:1500x808
Honda EX1000 A GENERATOR, JPN, VIN# EA4-1000001 TO EA4-1236195 Parts Diagram for CONTROL PANEL
image size: 1500x808
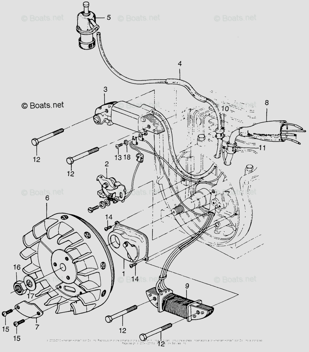
Honda Generators EX1000 A VIN# EA4-1000001 TO EA4-1236195 OEM Parts Diagram  for CYLINDER + IGNITION COIL | Boats.net, image size:1180x674
Honda Generators EX1000 A VIN# EA4-1000001 TO EA4-1236195 OEM Parts Diagram for CYLINDER + IGNITION COIL | Boats.net
image size: 1180x674
Honda EX5500 A GENERATOR, JPN, VIN# GX360-1000001 TO GX360-1017635 Parts  Diagram for ROTOR@STATOR, image size:1500x749
Honda EX5500 A GENERATOR, JPN, VIN# GX360-1000001 TO GX360-1017635 Parts Diagram for ROTOR@STATOR
image size: 1500x749
Honda EN2500 A GENERATOR, JPN, VIN# EZFS-1000001 TO EZFS-1099999 Parts  Diagram for FUEL TANK (1), image size:1500x749
Honda EN2500 A GENERATOR, JPN, VIN# EZFS-1000001 TO EZFS-1099999 Parts Diagram for FUEL TANK (1)
image size: 1500x749
Honda Power Equipment E2500K2 A GENERATOR, JPN, VIN# E2500-1100006 FUEL TANK, image size:1500x2267
Honda Power Equipment E2500K2 A GENERATOR, JPN, VIN# E2500-1100006 FUEL TANK
image size: 1500x2267
Honda Engines EU2000I AN2 GENERATOR, JPN, VIN# EAAJ-1170001 FUEL TANK (1), image size:1500x750
Honda Engines EU2000I AN2 GENERATOR, JPN, VIN# EAAJ-1170001 FUEL TANK (1)
image size: 1500x750
Honda E3500K1 A GENERATOR, JPN, VIN# E3500-1100021 TO E3500-1129668 Parts  Diagrams, image size:1500x767
Honda E3500K1 A GENERATOR, JPN, VIN# E3500-1100021 TO E3500-1129668 Parts Diagrams
image size: 1500x767
Honda EB3500X K1 AG/A (EA6) - Honda Generator, Made in Japan (SN:  EA6-3100001 - EA6-3114939) EB CONTROL BOX Parts Lookup with Diagrams |  PartsTree, image size:1280x641
Honda EB3500X K1 AG/A (EA6) - Honda Generator, Made in Japan (SN: EA6-3100001 - EA6-3114939) EB CONTROL BOX Parts Lookup with Diagrams | PartsTree
image size: 1280x641
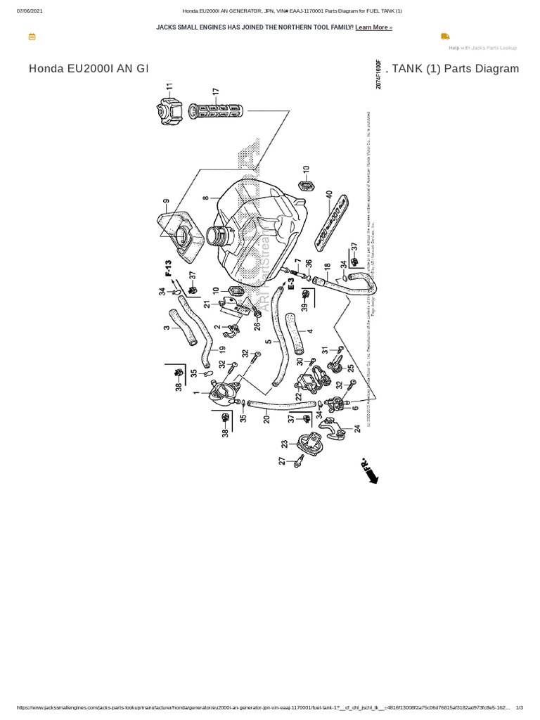
Honda EU2000I AN GENERATOR, JPN, VIN# EAAJ-1170001 Parts Diagram For FUEL  TANK | PDF | Tools | Vehicle Technology, image size:768x1024
Honda EU2000I AN GENERATOR, JPN, VIN# EAAJ-1170001 Parts Diagram For FUEL TANK | PDF | Tools | Vehicle Technology
image size: 768x1024
Honda Engines EM2200 A GENERATOR, JPN, VIN# GE200-1000001 LABELS, image size:1500x1153
Honda Engines EM2200 A GENERATOR, JPN, VIN# GE200-1000001 LABELS
image size: 1500x1153
Honda ER1500 A GENERATOR, JPN, VIN# G41-1018501 TO G41-1071999 Parts Diagram  for EG/R1500FLYWHEEL, image size:1500x2103
Honda ER1500 A GENERATOR, JPN, VIN# G41-1018501 TO G41-1071999 Parts Diagram for EG/R1500FLYWHEEL
image size: 1500x2103
Honda E300 K2 A (GE300) - Honda Generator, Made in Japan (SN: GE300-2001601  - GE300-2146675) LOWER COVER Parts Lookup with Diagrams | PartsTree, image size:1280x1169
Honda E300 K2 A (GE300) - Honda Generator, Made in Japan (SN: GE300-2001601 - GE300-2146675) LOWER COVER Parts Lookup with Diagrams | PartsTree
image size: 1280x1169
Honda Power Equipment Generator E40 A GENERATOR, JPN, VIN# GE40-10001 OEM Parts  Diagram for COVER + TOOLS | Firedog.com, image size:866x1200
Honda Power Equipment Generator E40 A GENERATOR, JPN, VIN# GE40-10001 OEM Parts Diagram for COVER + TOOLS | Firedog.com
image size: 866x1200
Honda E40 A GENERATOR, JPN, VIN# GE40-10001 Parts Diagram for CARBURETOR, image size:1500x1998
Honda E40 A GENERATOR, JPN, VIN# GE40-10001 Parts Diagram for CARBURETOR
image size: 1500x1998
Honda EU2000i AN2 (EAAJ) - Honda Generator, Made in Japan (SN: EAAJ-1170001  - EAAJ-9999999) CYLINDER BARREL Parts Lookup with Diagrams | PartsTree, image size:1280x639
Honda EU2000i AN2 (EAAJ) - Honda Generator, Made in Japan (SN: EAAJ-1170001 - EAAJ-9999999) CYLINDER BARREL Parts Lookup with Diagrams | PartsTree
image size: 1280x639
Honda Motorcycle 1988 OEM Parts Diagram for Pulse Generator | Partzilla.com, image size:1200x692
Honda Motorcycle 1988 OEM Parts Diagram for Pulse Generator | Partzilla.com
image size: 1200x692
Honda Power Equipment Generator EX2200 A GENERATOR, JPN, VIN# EA2-1000001  OEM Parts Diagram for CYLINDER | Firedog.com, image size:1180x744
Honda Power Equipment Generator EX2200 A GENERATOR, JPN, VIN# EA2-1000001 OEM Parts Diagram for CYLINDER | Firedog.com
image size: 1180x744
Honda ATV 1982 OEM Parts Diagram for Pulse Generator | Partzilla.com, image size:1200x717
Honda ATV 1982 OEM Parts Diagram for Pulse Generator | Partzilla.com
image size: 1200x717
Honda Generators EM5000SX A VIN# EA7-1000001 OEM Parts Diagram for IGNITION  COIL | Boats.net, image size:1180x801
Honda Generators EM5000SX A VIN# EA7-1000001 OEM Parts Diagram for IGNITION COIL | Boats.net
image size: 1180x801
Honda Power Equipment EU3000IK1 A GENERATOR, JPN, VIN# EAVJ-1100001 TO  EAVJ-9999999 CYLINDER HEAD, image size:1500x750
Honda Power Equipment EU3000IK1 A GENERATOR, JPN, VIN# EAVJ-1100001 TO EAVJ-9999999 CYLINDER HEAD
image size: 1500x750
Honda EM4000 A GENERATOR, JPN, VIN# GE400-1000001 Parts Diagram for AIR  CLEANER, image size:1500x906
Honda EM4000 A GENERATOR, JPN, VIN# GE400-1000001 Parts Diagram for AIR CLEANER
image size: 1500x906
Honda EX1000 A (EA4) - Honda Generator, Made in Japan (SN: EA4-1000001 -  EA4-1236195) FUEL TANK \u0026 HANDLE Parts Lookup with Diagrams | PartsTree, image size:1280x689
Honda EX1000 A (EA4) - Honda Generator, Made in Japan (SN: EA4-1000001 - EA4-1236195) FUEL TANK \u0026 HANDLE Parts Lookup with Diagrams | PartsTree
image size: 1280x689
Honda Generators E300 A VIN# GE300-100001 TO GE300-1106000 OEM Parts Diagram  for EK1 K2 Carburetor | Boats.net, image size:871x1200
Honda Generators E300 A VIN# GE300-100001 TO GE300-1106000 OEM Parts Diagram for EK1 K2 Carburetor | Boats.net
image size: 871x1200
Honda Power Equipment Generator ES3500K2 A GENERATOR, JPN, VIN#  ES3500-1200161 OEM Parts Diagram for POINTS + IGNITION COIL | Firedog.com, image size:1180x685
Honda Power Equipment Generator ES3500K2 A GENERATOR, JPN, VIN# ES3500-1200161 OEM Parts Diagram for POINTS + IGNITION COIL | Firedog.com
image size: 1180x685
Honda Generator EU1000I - OEM Parts \u0026 Repair Help - eReplacementParts.com, image size:1505x750
Honda Generator EU1000I - OEM Parts \u0026 Repair Help - eReplacementParts.com
image size: 1505x750
Honda Power Equipment EB6500X1 AT1 FUEL TANK Generators Parts Finder  Diagrams | Broadway Powersports of Longview, Longview TX, image size:1920x958
Honda Power Equipment EB6500X1 AT1 FUEL TANK Generators Parts Finder Diagrams | Broadway Powersports of Longview, Longview TX
image size: 1920x958
Honda Power Equipment Generator EG1500K3 A GENERATOR, JPN, VIN# G42-200000  TO G42-2193508 OEM Parts Diagram for EG1500 CARBURETOR K3 | Firedog.com, image size:823x1200
Honda Power Equipment Generator EG1500K3 A GENERATOR, JPN, VIN# G42-200000 TO G42-2193508 OEM Parts Diagram for EG1500 CARBURETOR K3 | Firedog.com
image size: 823x1200
Honda Generator EU3000IS1 - OEM Parts \u0026 Repair Help - eReplacementParts.com, image size:1505x750
Honda Generator EU3000IS1 - OEM Parts \u0026 Repair Help - eReplacementParts.com
image size: 1505x750
Honda Motorcycle 1998 OEM Parts Diagram for IGNITION PULSE GENERATOR |  Partzilla.com, image size:1200x756
Honda Motorcycle 1998 OEM Parts Diagram for IGNITION PULSE GENERATOR | Partzilla.com
image size: 1200x756
Honda Power Equipment Generator EG1500 A GENERATOR, JPN, VIN# G41-1018501  TO G41-1071999 OEM Parts Diagram for EG/R1500CYLINDER + CYLINDER HEAD |  Firedog.com, image size:1111x1200
Honda Power Equipment Generator EG1500 A GENERATOR, JPN, VIN# G41-1018501 TO G41-1071999 OEM Parts Diagram for EG/R1500CYLINDER + CYLINDER HEAD | Firedog.com
image size: 1111x1200
Honda Engines EM6500SXK2 AT GENERATOR, CHN, VIN# EBJC-1000001 TO  EBJC-1499999 CONTROL PANEL (2), image size:1500x750
Honda Engines EM6500SXK2 AT GENERATOR, CHN, VIN# EBJC-1000001 TO EBJC-1499999 CONTROL PANEL (2)
image size: 1500x750
OEM Honda 28400-ZS9-A04 Pri; Starter Assembly, Starter -  eReplacementParts.com, image size:1505x750
OEM Honda 28400-ZS9-A04 Pri; Starter Assembly, Starter - eReplacementParts.com
image size: 1505x750
Honda Motorcycle 1995 OEM Parts Diagram for Pulse Generator | Partzilla.com, image size:1200x853
Honda Motorcycle 1995 OEM Parts Diagram for Pulse Generator | Partzilla.com
image size: 1200x853
Honda EM1800 A GENERATOR, JPN, VIN# GE200-1000001 Parts Diagram for AIR  CLEANER, image size:1500x801
Honda EM1800 A GENERATOR, JPN, VIN# GE200-1000001 Parts Diagram for AIR CLEANER
image size: 1500x801
Honda Power Equipment Generator EM1800 A GENERATOR, JPN, VIN# GE200-1000001  OEM Parts Diagram for REAR HOUSING + D.C. DIODE | Firedog.com, image size:1180x745
Honda Power Equipment Generator EM1800 A GENERATOR, JPN, VIN# GE200-1000001 OEM Parts Diagram for REAR HOUSING + D.C. DIODE | Firedog.com
image size: 1180x745
Honda Power Equipment EU6500IS A GENERATOR, JPN, VIN# EASJ-1000001 CONTROL  PANEL (A,AC,AN,AT), image size:1500x749
Honda Power Equipment EU6500IS A GENERATOR, JPN, VIN# EASJ-1000001 CONTROL PANEL (A,AC,AN,AT)
image size: 1500x749
Honda Motorcycle 1992 OEM Parts Diagram for Pulse Generator | Partzilla.com, image size:1200x801
Honda Motorcycle 1992 OEM Parts Diagram for Pulse Generator | Partzilla.com
image size: 1200x801
31111-PD1-014 | BEARING, RR. GENERATOR - Bernardi Parts Honda, image size:972x1372
31111-PD1-014 | BEARING, RR. GENERATOR - Bernardi Parts Honda
image size: 972x1372
Honda Power Equipment Generator E300 A GENERATOR, JPN, VIN# GE300-100001 TO  GE300-1106000 OEM Parts Diagram for FUEL TANK + PANEL | Firedog.com, image size:950x1200
Honda Power Equipment Generator E300 A GENERATOR, JPN, VIN# GE300-100001 TO GE300-1106000 OEM Parts Diagram for FUEL TANK + PANEL | Firedog.com
image size: 950x1200
Honda Generators ED1000 A VIN# G200-1000001 OEM Parts Diagram for  Alternator | Boats.net, image size:1180x672
Honda Generators ED1000 A VIN# G200-1000001 OEM Parts Diagram for Alternator | Boats.net
image size: 1180x672
0-28081-090-0 | BOLT, GENERATOR - Bernardi Parts Honda, image size:972x1446
0-28081-090-0 | BOLT, GENERATOR - Bernardi Parts Honda
image size: 972x1446
Honda Motorcycle 1986 OEM Parts Diagram for Pulse Generator | Partzilla.com, image size:1200x742
Honda Motorcycle 1986 OEM Parts Diagram for Pulse Generator | Partzilla.com
image size: 1200x742
OEM Honda 28451-Z07-004 Pulley, Starter - eReplacementParts.com, image size:1500x750
OEM Honda 28451-Z07-004 Pulley, Starter - eReplacementParts.com
image size: 1500x750
Honda Generators ER1500 A VIN# G41-1018501 TO G41-1071999 OEM Parts Diagram  for ER1500 CONTROL BOX + GENERATOR | Boats.net, image size:1180x683
Honda Generators ER1500 A VIN# G41-1018501 TO G41-1071999 OEM Parts Diagram for ER1500 CONTROL BOX + GENERATOR | Boats.net
image size: 1180x683
Honda Motorcycle 1984 OEM Parts Diagram for Pulse Generator | Partzilla.com, image size:1200x787
Honda Motorcycle 1984 OEM Parts Diagram for Pulse Generator | Partzilla.com
image size: 1200x787
OEM Honda 17233-Z07-000 Seal A, Air Cleaner Cover - eReplacementParts.com, image size:1500x750
OEM Honda 17233-Z07-000 Seal A, Air Cleaner Cover - eReplacementParts.com
image size: 1500x750
Honda Power Equipment Generator E1500 A GENERATOR, JPN, VIN# E1500-123001  TO E1500-1171000 OEM Parts Diagram for E1500 CYLINDER | Firedog.com, image size:765x1200
Honda Power Equipment Generator E1500 A GENERATOR, JPN, VIN# E1500-123001 TO E1500-1171000 OEM Parts Diagram for E1500 CYLINDER | Firedog.com
image size: 765x1200
Honda YP5500GNH Portable Generator Parts Breakdown and Index, image size:1275x1651
Honda YP5500GNH Portable Generator Parts Breakdown and Index
image size: 1275x1651
Multiquip GDP-5H Honda Gas High Cycle Generator Parts | WhitemanParts.com, image size:1163x888
Multiquip GDP-5H Honda Gas High Cycle Generator Parts | WhitemanParts.com
image size: 1163x888
Battery start for generator - Home Improvement Stack Exchange, image size:1000x1000
Battery start for generator - Home Improvement Stack Exchange
image size: 1000x1000
Honda Lawn Mower Parts Alamia, Inc. Genuine Honda EU2000i Generator,  Maintenance Tune Up Kit, Filters, Oil, Spark Plug, Fuel Filter, Fits Honda  EU2000I, EU2000 Companion And EU2000 Camo Honda Inverter Generator, image size:2448x3264
Honda Lawn Mower Parts Alamia, Inc. Genuine Honda EU2000i Generator, Maintenance Tune Up Kit, Filters, Oil, Spark Plug, Fuel Filter, Fits Honda EU2000I, EU2000 Companion And EU2000 Camo Honda Inverter Generator
image size: 2448x3264
OEM Honda 87150-Z07-C32 Pri; Mark, Caution - eReplacementParts.com, image size:1100x800
OEM Honda 87150-Z07-C32 Pri; Mark, Caution - eReplacementParts.com
image size: 1100x800
Honda Generators E2500K2 A VIN# E2500-1100006 OEM Parts Diagram for  FLYWHEEL COIL | Boats.net, image size:1500x750
Honda Generators E2500K2 A VIN# E2500-1100006 OEM Parts Diagram for FLYWHEEL COIL | Boats.net
image size: 1500x750
Official Gentron GG7500 generator parts | Sears PartsDirect, image size:1052x1200
Official Gentron GG7500 generator parts | Sears PartsDirect
image size: 1052x1200
eu7000is \, image size:1491x876
eu7000is \
image size: 1491x876
Honda Eu10i Generator Service Manual | PDF, image size:1500x750
Honda Eu10i Generator Service Manual | PDF
image size: 1500x750
Honda Gx160 Carburetor Rebuild Honda Gx200 Carburetor All-carb Carburetor  Replacement For Honda Gx160 Gx200 5 5hp 6 16100-zh8-w61 W Choke Lever Carb  Honda Gx160 Carburetor Honda Gx160 Carburetor Rebuild Kit, image size:768x1024
Honda Gx160 Carburetor Rebuild Honda Gx200 Carburetor All-carb Carburetor Replacement For Honda Gx160 Gx200 5 5hp 6 16100-zh8-w61 W Choke Lever Carb Honda Gx160 Carburetor Honda Gx160 Carburetor Rebuild Kit
image size: 768x1024
NUMBER PART NAME-HONDA# QTY NEEDED 01 COVER, L. RR. 11351-300-060 001 02  RUBBER 11354-300-010 001 03 COVER, CR/CASE TRANS 11360-, image size:1280x1280
NUMBER PART NAME-HONDA# QTY NEEDED 01 COVER, L. RR. 11351-300-060 001 02 RUBBER 11354-300-010 001 03 COVER, CR/CASE TRANS 11360-
image size: 1280x1280
FPX GX-240, GX-270 Parts \u0026 Price Guide revision C, image size:974x904
FPX GX-240, GX-270 Parts \u0026 Price Guide revision C
image size: 974x904
Honda EU3000 Generator Parts, image size:2545x2640
Honda EU3000 Generator Parts
image size: 2545x2640
Official Generac GP6500-5940-0 generator parts | Sears PartsDirect, image size:1280x1280
Official Generac GP6500-5940-0 generator parts | Sears PartsDirect
image size: 1280x1280
Honda Original Oil Filter for EM 10000 Generator, image size:1333x640
Honda Original Oil Filter for EM 10000 Generator
image size: 1333x640
Where is the CO2 sensor on a Honda 7000is generator?, image size:1600x1600
Where is the CO2 sensor on a Honda 7000is generator?
image size: 1600x1600
Honda Eu3000 Generator Parts Diagram Where To Buy Carburetor For Honda  EU3000i Generator? FAQ Honda Eu3000is Carburetor Diagram, image size:1180x792
Honda Eu3000 Generator Parts Diagram Where To Buy Carburetor For Honda EU3000i Generator? FAQ Honda Eu3000is Carburetor Diagram
image size: 1180x792
Honda Power Equipment Generator EM5000SX A GENERATOR, JPN, VIN# EA7-1000001  OEM Parts Diagram for Crankshaft | Firedog.com, image size:3312x4683
Honda Power Equipment Generator EM5000SX A GENERATOR, JPN, VIN# EA7-1000001 OEM Parts Diagram for Crankshaft | Firedog.com
image size: 3312x4683
FUEL TANK - 2014 Generator 7200 EF7200DE | Crowley Marine, image size:1601x1601
FUEL TANK - 2014 Generator 7200 EF7200DE | Crowley Marine
image size: 1601x1601
Honda Generator Eu2200i Rburetor Kit With Air Filter 63584 For Predator  3500 Watts Inverter Honda EU3000IS Generator Honda Eu3000 Generator Parts  Diagram, image size:2134x2024
Honda Generator Eu2200i Rburetor Kit With Air Filter 63584 For Predator 3500 Watts Inverter Honda EU3000IS Generator Honda Eu3000 Generator Parts Diagram
image size: 2134x2024
Official Briggs \u0026 Stratton 030728-00 generator parts | Sears PartsDirect, image size:1234x714
Official Briggs \u0026 Stratton 030728-00 generator parts | Sears PartsDirect
image size: 1234x714
Honda EM5000SX remote start : r/Generator, image size:768x1024
Honda EM5000SX remote start : r/Generator
image size: 768x1024
Honda Generator 13Z26701 Gm12000 | PDF | Piston | Vehicle Parts, image size:1512x1155
Honda Generator 13Z26701 Gm12000 | PDF | Piston | Vehicle Parts
image size: 1512x1155
Honda EV4010 EV6010 RV Generator Parts, image size:1581x1086
Honda EV4010 EV6010 RV Generator Parts
image size: 1581x1086
Hycon™ 7722323 | HPP 6 Plastic plug | Repair Parts | Hycon Factory  Authorized Parts And Service, image size:2548x2520
Hycon™ 7722323 | HPP 6 Plastic plug | Repair Parts | Hycon Factory Authorized Parts And Service
image size: 2548x2520
Official Generac GP6500-5940-1 generator parts | Sears PartsDirect, image size:3633x5111
Official Generac GP6500-5940-1 generator parts | Sears PartsDirect
image size: 3633x5111
OPTIONAL FRONT WHEEL PARTS - 1996 Generator 6600 YG6600D | Crowley Marine, image size:907x1200
OPTIONAL FRONT WHEEL PARTS - 1996 Generator 6600 YG6600D | Crowley Marine
image size: 907x1200
Honda Power Equipment Generator E2500K3 A GENERATOR, JPN, VIN#  E2500-2000093 TO E2500-2043277 OEM Parts Diagram for CRANKSHAFT PISTON |  Firedog.com, image size:2549x2674
Honda Power Equipment Generator E2500K3 A GENERATOR, JPN, VIN# E2500-2000093 TO E2500-2043277 OEM Parts Diagram for CRANKSHAFT PISTON | Firedog.com
image size: 2549x2674
Official Generac GP6500-5940-0 generator parts | Sears PartsDirect, image size:2480x1764
Official Generac GP6500-5940-0 generator parts | Sears PartsDirect
image size: 2480x1764

Random Photos